Обслуживание и ремонт вилки велосипеда

.
C появлением у вас двухколесного друга жизнь наполняется не только яркими моментами прогулок по парку или длительных поездок за город с друзьями, но и рутинным уходом за велосипедом. Можно услышать возражения: мол, ремонтом и обслуживанием должны заниматься квалифицированные специалисты, которые понимают, что и к чему в сложном устройстве велосипеда. Но кроме этого нужно понимать, что это транспортное средство будет требовать постоянного ухода и внимания. Ну не бегать же к мастеру каждую неделю за смазыванием вилки или проверкой заднего амортизатора? В обслуживании велосипеда есть масса мелочей, выполнять которые лучше самому: не только надежно, но и дешево.
- Содержание статьи:
- Велосипедная вилка: снимаем, разбираем, собираем, ставим
- Уход за вилкой – залог ее «здоровья»
- Стоит ли самостоятельно заниматься ремонтом велосипедной вилки?
- Задний амортизатор: особенности ухода
- Видео. Переборка велосипедной вилки
Велосипедная вилка: снимаем, разбираем, собираем, ставим

Устройство велосипедной вилки.
Казалось бы, зачем же нужна велосипеду и велосипедисту амортизационная вилка? Но и для того, и для другого она крайне полезна: грамотно подобранная и отрегулированная вилка позволяет существенно снизить нагрузку на ладони и кисти во время езды, улучшить управляемость велосипеда, а кроме того, увеличивает срок службы рамы и рулевых подшипников благодаря уменьшению вибрационного эффекта. При грамотном уходе срок службы вилки можно продлить в несколько раз. Это, безусловно, будет приятно рачительному владельцу двухколесного друга, учитывая высокую стоимость велосипедных вилок.
Вилка в обязательном порядке требует:
- чистки и смазки ног на сальниках – каждые 100-150 км пройденного пути,
- осмотра на предмет появления трещин в «штанах» вилки, смазки сальников с разборкой – каждые 500-1000 км.,
- для масляных вилок – замены масла ежегодно или после 40005000 км пути.
Среди необходимых для работы с велосипедной вилкой инструментов называют отвертку, пассатижи, гаечный ключ, маленький раздвижной газовый ключ, учитывая специфику работы с маслом советуют запастись ветошью или тряпками, кроме того работу можно выполнять и в перчатках для защиты рук от повреждений и загрязнения.
Как снять вилку с велосипеда?
Чтобы снять с велосипеда вилку для последующего ее обслуживания или полной замены необходимо, перевернув велосипед колесами вверх, распустить тормоз (если он ободной) и снять переднее колесо. На втором этапе – снимается руль с выносом, затем рулевая труба.
После этого снимаем вилку, крайне важно не потерять шарики из подшипников. Затем со штока вилки снимается опорное конусное кольцо (обычно с помощью острого предмера, аккуратно поджимая его со всех сторон). После этого мы имеем готовую к обслуживанию вилку.
Отдельные пользователи советуют перебирать даже новые, только что купленные вилки, поясняя это необходимостью индивидуальной отладки элемента.
Как разобрать вилку велосипеда (на примере пружинно-элестомерной вилки) читайте ниже:
- необходимо открутить нижние крепежные болты с помощью шестигранников,
Болт регулирующий силу пружины Preload.
выкрутить болт, регулирующий силу пружины Preload (обратите внимание на ход болта регулировки – именно настолько болт сжимает и разжимает пружину),
Эластометр.
достать эластомер, который и ограничивает ход движения пружины (в некоторых случаях допускается подрезание эластомера до нужного размера),
- необходимо открутить болты и аккуратно снять «штаны», следя за вытекающими оттуда грязью, маслом и водой,
Сальники (пыльники).
из «штанов» вынимаются сальники (пыльники) с помощью отвертки, а башинги легко достать, провернув их вокруг своей оси.
На этом процесс разборки вилки заканчивается и начинается процесс ухода за полученными деталями: необходим тщательный осмотр элементов на наличие повреждений, трещин и прочего, тщательно промыть керосином и смазать нуждающиеся в этом элементы. Важно смазать пружины густой смазкой для лучшей работы вилки.
Как собрать вилку велосипеда? Сборка вилки проходит в порядке, обратном процессу разбора и дополнительно его описывать нецелесообразно. Главное – внимательно следовать порядку описанных процедур.
Как заменить вилку на велосипеде?
Неподготовленному и неопытному пользователю проводить не рекомендуется: если с простым уходом справиться можно, то такую процедуру лучше предоставить квалифицированному специалисту. В крайнем случае, выполнять замену под наблюдением мастера, выполняя его рекомендации.
Уход за вилкой – залог ее «здоровья»
Смазывать велосипедную вилку необходимо раз в сезон, но при активном использовании эта процедура может потребоваться чаще. Процесс смазывания пружинно-эластомерной вилки крайне прост: масло с помощью шприца заливается под пыльник, затем вилка разрабатывается, а остатки смазочного материала удаляются мягкой тряпкой. На ноги около сальников лучше всего наносить тефлоновую смазку (все чаще используется смазка в виде аэрозоля).
Среди лучших смазочных материалов мастера называют силиконовые и прозрачные консистентные смазки.
Не менее важным является содержание вилки в чистоте: обязательно следует протирать ноги вилки возле пыльников после каждой велопрогулки во избежание попадания грязи в масло и нарушения адекватной работы велосипеда.
Регулировку вилки велосипеда, следует начать с выставления сэга, затем отскока (если его регулировка предусмотрена), под которые и будет подстраиваться низкоскоростная и высокоскоростная компрессия. Специалисты отмечают, что выполнять регулировку следует поэтапно: выполнили одно изменение – проверили ход велосипеда прогулкой, только затем меняйте следующий параметр. Если не придерживаться этой рекомендации, то владелец рискует упустить разницу в ходе и смазать эффект от регулировки вилки.
СОВЕТ! Начинать процесс регулировки вилки нужно из нейтрального положения: наполовину выставленный отскок, стрелки компрессии откручены полностью против часовой стрелки.
Стоит ли самостоятельно заниматься ремонтом велосипедной вилки?
Безусловно, не имея соответствующего опыта и навыков ремонта велосипедов, лучше не рисковать и обратиться к грамотным специалистам. Но с течением времени каждый мало-мальски интересующийся своим транспортным средством велосипедист начинает разбираться в тонкостях, запоминать название деталей и их функции, чувствовать корень проблем. Поэтому со временем даже такое непростое дело, как ремонт вилки может стать легкой процедурой.
Сложности могут возникнуть в связи особенностями конструкции самой вилки или её поломкой.
Как правило, владельцы делятся на два типа: одни предпочитают ездить на велосипеде, пока у него не откажут все системы и спасти такого «пациента» будет невозможно, другие – тщательно следящие за состоянием байка и предупреждающие любые поломки.
Задний амортизатор: особенности ухода
Говоря «амортизатор для велосипеда» 9 человек из 10 представляют себе велосипедную вилку. Отчасти они правы, однако вилка – это передний амортизатор, тогда как у велосипеда может быть еще и задний амортизатор. Велосипед, оснащенный передним и задним амортизатором, называют двухподвесным.

Задний амортизатор.
Задний амортизатор, независимо от конструкции, нуждается в регулярной чистке и смазывании: периодичность подбирается индивидуально, но проводится процедура минимум один раз в сезон. В качестве идеального смазочного материала для шарниров подвески используют густые смазки, обладающие широким температурным диапазоном.
Если с амортизатором возникают непредвиденные сложности, например скрип или другие посторонние звуки, то искать причину самостоятельно будет довольно сложно. В качестве пробного варианта советуют смазать его силиконовым аэрозолем, но если скрип остается, то причина, вероятнее всего, глубже, и велосипед нуждается в осмотре мастера.
Обслуживание и ремонт вилки удобней производить с использованием специального держателя.
Каретка для велосипеда

Каретка в стакане велосипеда
Зачастую при выборе новой каретки мы сталкиваемся с проблемой, какая же каретка нам нужна, какой длинны и типа. Все эти вопросы мы постараемся раскрыть в нашей статье. Для начала рассмотрим само понятие «каретка».
- Содержание статьи:
- Типы кареток
- Стандарты соединений кареток и шатунов
- Видео замена каретки на велосипеде
Каретка велосипеда – это подшипниковый узел, который соединяет шатуны с рамой и обеспечивает функцию крутящего момента шатунов велосипеда. Каретка расположена в кареточном стакане рамы, который расположен между нижней трубой и на пересечении нижних перьев велосипеда.

Кареточный стакан рамы

Вал каретки для велосипеда ХВЗ
Кареточный стакан бывает следующих размеров: 68мм (наиболее распространены), 73мм (тип BSA, используется в ряде горных велосипедов), 83 мм (для экстремальных дисциплин, например, фрирайд) и 70мм, который является итальянским типом и отличается от вышеперечисленных резьбой, использовался на советских шоссейных велосипедах и в наше время представлен производителем Campagnolo. Длинна вала каретки встречается в таких размерах 110мм, 113мм, 118.5мм, 122.5мм и 127.5мм. Вал каретки – это собственно ось каретки.
Типы кареток
Каретки бывают закрытого (картриджные) и открытого типа. Каретка картриджного типа представляет собой картридж с подшипниками, которые находятся в корпусе и устанавливаются в раму.

Пример каретки закрытого типа
Каретки закрытого типа распространены, хорошо защищены от попадания пыли, грязи, влаги, ржавчины, не разборные, не подлежат ремонту, в следствии чего не требуют технического обслуживания. В эксплуатации довольно неприхотливы, так как исключен перекос подшипников и не нужно регулировать каретку. Основное преимущество заключается в том, что при износе или неисправности старой каретки она просто меняется на новую.

Пример каретки открытого типа
Каретка открытого типа представляет собой вал, который вращается с помощью подшипников, установленных в чашках, и устанавливается в кареточный стакан рамы велосипеда. Данный тип каретки является полной противоположностью картриджных кареток, так как такая каретка не защищена от попадания пыли, грязи, влаги, ржавчины, требует частого технического обслуживания в связи с тем, что является разборной и подшипники могут перекашиваться и изнашиваться.
Основным преимуществом этого типа кареток является ремонтопригодность каретки путем переборки и замены смазки, подшипников.
Стандарты соединений кареток и шатунов
В данный момент существуют следующие типы соединений кареток и шатунов:
- Под квадрат (SQR)
- Octalink
- Стандарт ISIS Drive
- HOLLOWTECH II
- GXP
- Howitzer
Каретка (SQR) под квадрат
Рассмотрим каждый из них подробнее. Стандарт соединения каретки с шатунами под квадрат (SQR) является самым распространенным соединением, относительно дешевым и надежным, выпускается многими производителями кареток. Конструкция данного стандарта представляет собой квадрат вдоль оси вала каретки, является наименее надежным соединением, так как со временем ось может разбалтываться, в следствии чего подшипники могут выпадать и это требует замены самой каретки.
Каретка octalink
Стандарт Octalink довольно новый стандарт, представляет собой конусное соединение вала каретки с шатунами. Шлицы хоть и присутствуют, но шатуны крепятся к конусу. Основным отличием от кареток под квадрат является более высокая жесткость и меньший вес. Выпускается только производителем Shimanо (Deore, LX и ХТ), FSA
Однако, не все так просто, Octalink бывает двух видов:
Octalink V1, который имеет 8 шлицов, которые длиной в 5 мм и шириной 2 мм,
Octalink V2 – те же 8 шлицов, длина которых составляет 9 мм, а ширина 2,8 мм
Каретка ISIS Drive
Стандарт ISIS Drive шлицевое соединение шатуна и вала каретки, которое придает высокую прочность соединению, однако является полной противоположность Octalink. Выпускается следующими производителями Truvativ, FSA и Race Face
Следует отметить, что соединение ISIS Drive представлено большим выбором кареток и шатунов. Предназначена для более агрессивного катания, нежели под квадрат и Octalink. Благодаря своему шлицевому соединению, ISIS Drive является более надежным.
Каретка HOLLOWTECH II
HOLLOWTECH II – представлена в виде интегрированной системы соединения и устанавливается с правой стороны шатунов. Данное соединения было разработано для Shimano XT, XTR и Saint. Отличается минимальным количеством соединительных частей, в следствии чего имеет низкий вес, тем самым увеличивая жесткость и срок эксплуатации. HOLLOWTECH II создавалась с целью достижения жесткости, легкости и эффективности.
Каретка GXP
GXP (Giga X Pipe) – тот же HOLLOWTECH II только создан компанией Truvativ (используется Noir и Stylo), однако между собой они не совместимы.
Каретка HOWITZER
Howitzer – относительно новый стандарт, который имеет шлицы, внешние подшипники и отдельную ось, есть схожесть с ISIS Drive. Используется в экстремальных велосипедах.
Исходя из всего вышесказанного, можно сказать, что при выборе каретки нужно, прежде всего, знать и понимать какая каретка больше подходит под Ваши цели.
Как снять педали с велосипеда, их ремонт и обслуживание

как открутить педали на велосипеде
Педали велосипеда – это составляющая часть шатунов, которая приводит велосипед в движение. Поэтому данный узел подвержен большой нагрузке и требует особого внимания.
Педали велосипеда достаточно простой механизм, но при этом состоит из:
- Ось педали велосипеда – представляет собой металлический штырь, который имеет на конце резьбу, с помощью которой вкручивается в шатун,
- Платформа педали – поверхность, которая контактирует со ступней,
- Подшипники педалей велосипеда – обеспечивают вращающийся момент по оси педали,
- Болтики, гайки, заглушки

- О том почему прокручиваются педали на велосипеде и что делать, чтобы избежать этого читайте в этой статье.
- Про контактные велопедали, про складные педали и другие педали можно узнать здесь.
Эксплуатация педалей в различных погодных условиях может привести их к выходу из строя, могут возникать люфты оси педали, треск, хруст, стук прямо в педалях велосипеда. Все эти проблемы не сложно исправить. Поэтому, если вы заметили, что у вас скрипят педали на велосипеде, то для того чтобы сделать педаль более покладистой, вам понадобится открутить и снять ее с велосипеда.
Сегодня мы рассмотрим, как разобрать обычную педаль и контактные педали.
Как разобрать педали на велосипеде
Для начала рассмотрим самые простые проблемы с педалями (треск, хруст), которые могут возникать:

Ремонт педалей. Подтягиваем контргайку
- Необходимо проверить нет ли каких либо повреждений педали (трещин, сколов и прочего),
- Проверить место крепления оси педали к шатунам, со временем может ослабнуть или в соединение может попасть влага, песок. Для профилактики можно открутить протереть тщательно резьбу оси и сам шатун, смазать густой смазкой и снова закрутить,
- Проверяем педаль на предмет люфта. Для этого удерживаем ось педали и руками пробуем двигать в разные стороны платформу. Если люфт присутствует, то это исправляется подтягиванием контргайки, которая находится под заглушкой (см. рисунок)
- Если педаль туго крутится или люфт желательно полностью перебрать педаль велосипеда. Много времени это у Вас не отнимет. Приступим:
- Для снятия педалей с шатуна велосипеда необходим всего лишь разводной ключ.
Важно!!! Следует помнить, что резьба на педалях велосипеда разная. И если вы не помните в какую сторону откручиваются педали напоминаем: ось правой педали имеет правую резьбу и откручивается против часовой стрелки, а левой – соответственно левую и откручивается, как Вы уже поняли, по часовой.
Ось педали имеет обычно несколько граней, что позволяет без особых усилий открутить ее.
- Снимаем отверткой заглушку педали, которая находится в торце,
- Раскручиваем контргайку, при этом удерживаем ось ключом,
- Снимает стопорную шайбу,
- Откручиваем конус,
- Вынимаем подшипники (Будьте аккуратны, так как шарики могут покатиться в разные стороны)
- Снимает платформу педали с оси.
Все, педаль полностью разобрана.
Процесс снятия и ремонта педали пройдет быстрее если вы воспользуетесь стойкой для ремонта. Как смазать педали на велосипеде
- Узнайте также как смазать педали велосипеда
После проделанных манипуляций все детали необходимо тщательно протереть чистой тряпкой. Чтоб облегчить задачу можно поместить все узлы педали в керосин, затем протереть. Это позволит максимально очистить от старой смазки, песка и прочего. Обязательно проверьте состояние шариков, чтоб все были одинаковой формы и размера.
Затем смазать все части густой консистентной смазкой, рекомендуется смазывать водостойкой смазкой и затем собрать педаль в обратном порядке. Не забудьте перед установкой педали резьбу оси протереть на чисто и смазать смазкой, что позволит плавно поставить педаль на место. Причем в следующий раз педали будут откручиваться легко.
Как разобрать педаль велосипеда, если у вас контактные педали
- Узнайте также про правильную технику педалирования, возможно она поможет избежать многих проблем с педалями
Контактные педали представляют собой более сложную конструкцию и вращение происходит туже. На примере рассмотрим обслуживание наиболее распространенных и самых дешевых контактов – Shimano PD-M520. Если у Вас нет никаких проблем с педалями, то лучше их не разбирать лишний раз, чтоб не нажить лишних проблем. Частого обслуживания они не требуют.
Снимаются с шатунов аналогичным методом, как и обычные педали – с помощью ключа. Для снятия оси понадобится специальный инструмент – съемник шатунов Shimano TL-PD40 ключи на 7, 10 и 15. Для старшей модели Shimano PD-M540 такой съемник не потребуется.
Приступаем:

Чтобы открутить педаль велосипеда понадобится специальный съемник
- Одеваем съемник шатунов на педаль на место, которое указано стрелочкой и откручиваем. После этого с легкостью вынимаем ось с корпуса педали.
- Удерживая ось ключом или зажав в тисках, отвинчиваем контргайку, которая держит всю осевую конструкцию. Затем вынимаем все узлы по порядку, но будьте аккуратны, так как внутри шарики. Их должно быть по 12 штук с каждой стороны.
Педаль полностью разобрана. Здесь все проделываем также, вытираем тщательно старую смазку со всех узлов педали и смазываем водостойкой смазкой. Собираем в обратном порядке. Шарики нужно выкладывать по одному на их посадочное место заранее смазав толстым слоем смазки. Важно хорошо затянуть гайки при этом, чтоб педаль вращалась плавно и без люфтов. После проделанных манипуляций, удалить всю лишнюю смазку, которая может выделяться после затягивания педали.
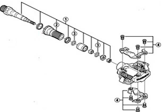
Схема педали Shimano PD-M520 представлена ниже для общего представления составляющих деталей

Общая схема разборки педали велосипеда
В конце хотелось бы напомнить, что педали подвержены большой нагрузке и требуют особого внимания и бережного отношения.
Хотите узнать больше, что такое каретка велосипеда читайте здесь.

